技術電話:17301986536加盟電話:13689528587

扭矩傳感器MK904-B/C
MK904-B/C扭矩傳感器
產品特點: 電阻應變式原理,精度高,性能穩定可靠,測量范圍廣;靜態扭矩測量,兩端均為鍵連接,安裝使用方便。
產品用途:適用于靜態、非連續旋轉的扭矩力值的測量與控制。
量程:MK904-B:200Nm、300 Nm、500 Nm、1000Nm、2000Nm
MK904-C: 2000Nm、3000 Nm、5000 Nm
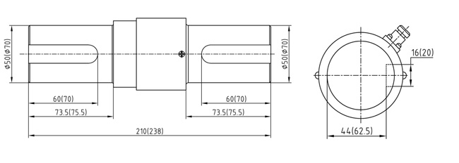
技術參數及外形尺寸:
序號 | 產品技術參數 | |
1 | 額定載荷 | 200Nm-3kNm |
2 | 綜合精度 | 0.1/0.3%F.S |
3 | 靈敏度 | 1.0-2.0mV/V |
4 | 蠕變/30分鐘 | ±0.1;0.3%F.S/30min |
5 | 零點輸出 | ±1%F.S |
6 | 零點溫度影響 | ±0.1/0.3%F.S/10℃ |
7 | 輸出溫度影響 | ±0.1/0.3%F.S/10℃ |
8 | 輸入阻抗 | 700±10Ω/350±10Ω |
9 | 輸出阻抗 | 700±5Ω/350±3Ω |
10 | 絕緣阻抗 | >2000MΩ |
11 | 工作溫度 | -10~65℃ |
12 | 安全過載 | 120%F.S |
13 | 激勵電壓 | 10VDC |
14 | 材質 | 合金鋼 |
15 | 接線方式 | 紅……E+(輸入正) 黑……E-(輸入負) 綠……S+(輸出正) 白……S-(輸出負) |

括號內為MK904-C的尺寸
密克傳感器(深圳)有限公司是傳感器源頭生產廠家,致力于測力傳感器的研發生產。產品達百余種,廣泛應用于各種工業自動化、機器人、化工、食品、冶金以及醫療等新型和智能化高端領域。按結構分有輪輻式傳感器,S型傳感器,波紋管傳感器,法蘭盤傳感器,柱式傳感器,扭矩傳感器,平行梁傳感器,拉力傳感器等等,按功能應用場景分有試驗機專用傳感器,攪拌站傳感器,稱重傳感器,包裝機傳感器,壓裝機傳感器,價格美麗,可定制。
密克生產的MK904-B/C扭矩傳感器:精度高,性能穩定,安裝方便,廣泛應用;適用于靜態、非連續旋轉的扭矩力值的測量與控制。
