技術電話:17301986536加盟電話:13689528587

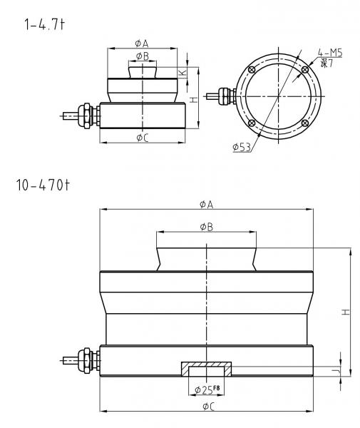
輪輻式傳感器MK112
產品特點:MK112扭環式測力傳感器外形尺寸小、量程覆蓋面大、精度高;安裝方便、抗偏載能力強、抗沖擊性能好,防潮密封,適應惡劣環境。
產品用途:MK112扭環式測力傳感器廣泛應用于汽車衡、料斗秤、配料秤等行業。
量程: 10kN(1t)、22kN(2.2t)、47kN(4.7t)、100kN(10t)、150kN(15t)、220kN(22t)、330kN(33t)、470kN(47t)、680kN(68t)、1000kN(100t)、1500kN(150t)、2200kN(220t)、3300kN(330t)、4700kN(470t)
技術參數及外形尺寸:
序號 | 產品技術參數 | |
1 | 額定載荷 | 10kN-4700kN(1t-470t) |
2 | 綜合精度 | ≤0.05%F.S |
3 | 靈敏度 | 2.85mV/V±1% |
4 | 零點輸出 | ≤0.1%F.S |
5 | 輸入阻抗 | 1450±10Ω |
6 | 輸出阻抗 | 1402±5Ω |
7 | 絕緣阻抗 | ≥5000MΩ |
8 | 補償溫度范圍 | -10~40℃ |
9 | 工作溫度范圍 | -30~70℃ |
10 | 材質 | 合金鋼/不銹鋼 |
11 | 推薦激勵電壓 | 10V(DC) |
12 | 接線方式 | 紅……E+(輸入正) 黑……E-(輸入負) 綠……S+(輸出正) 白……S-(輸出負) |


密克傳感器(深圳)有限公司是傳感器源頭生產廠家,致力于測力傳感器的研發生產。產品達百余種,廣泛應用于各種工業自動化、機器人、化工、食品、冶金以及醫療等新型和智能化高端領域。按結構分有輪輻式傳感器,S型傳感器,波紋管傳感器,法蘭盤傳感器,柱式傳感器,扭矩傳感器,平行梁傳感器,拉力傳感器等等,按功能應用場景分有試驗機專用傳感器,攪拌站傳感器,稱重傳感器,包裝機傳感器,壓裝機傳感器,價格美麗,可定制。
密克斯生產的MK112扭環式測力傳感器廣泛應用于汽車衡、料斗秤、配料秤等行業。
